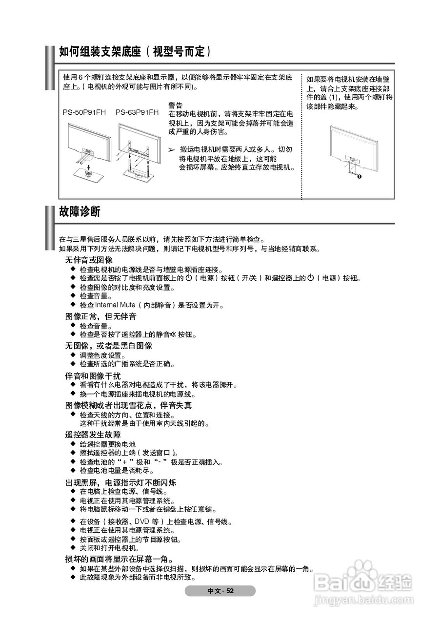
三星PS-50P91FH等离子彩电使用说明书:[6]

 时间:2024-11-08 15:36:32

三星PS-50P91FH等离子彩电使用说明书:[6]

三星PS-50P91FH等离子彩电使用说明书:[6]

三星PS-50P91FH等离子彩电使用说明书:[6]

三星PS-50P91FH等离子彩电使用说明书:[6]

三星PS-50P91FH等离子彩电使用说明书:[6]

三星PS-50P91FH等离子彩电使用说明书:[6]

  • 三星PS-50P91FH等离子彩电使用说明书:[3]
  • 三星PS-50P4H1等离子彩电使用说明书:[6]
  • 三星s8怎么双清
  • 三星s8 打开usb调试教程
  • 三星s8及s8edge怎么截图 手机快速截图方法
  • 热门搜索
    高屋建瓴的意思 黄牛象征什么 pm10是什么意思 剪切视频用什么软件 踉跄的意思 起床气是什么意思 chest是什么意思 patient是什么意思 咫尺天涯什么意思 啧啧是什么意思