1、动机无法起动,且起动时起动机不运转,本着先易后难的原则,先要了解清楚该车起动系统的控制原理。查阅科鲁兹维修手册,科鲁兹起动系统电路控制如图1所示。

2、该车起动系统的工作原理为,当驾驶员将离合器踏板踩下,离合器踏板位置传感器B25B发送确认信号至发动机控制模忧栝牯嚣块K20,此时将点火开关旋至起动位置时,点火开关产生1个离散信号,并通过点火开关4号端子传至车身控制模块K9的15号端子,车身控制模块K9通过网络传输线传输信号至发动机控制模块K20,发动机控制模块K20确认离合器踏板位置和点火开关信号正确时,通过X1-29号端子输出+12V电压至起动机继电器KR27的线圈,继电器开关闭合,蓄电池电压经过起动器保险丝,起动继电器触点至起动机控制端子X1-1,起动小齿轮推出并将起动机内部的电磁开关吸合,这时从蓄电池正极过来的大电流使起动机旋转。 根据以上分析,起动机不运转故障的原因有以下几种可能: 1.蓄电池电压过低; 2.起动保险丝熔断; 3.起动继电器故障; 4.起动机故障; 5.离合器踏板位置传感器及其线路故障; 6.点火开关起动挡及其线路故障; 7.车身模块与发动机控制模块之间的网络传输线路故障;8.起动系统其它控制线路故障。 故障诊断与排除: 1.检查蓄电池电压 将点火钥匙置于ON挡位置,通过开关车上其它电器,判断蓄电池电压是否正常,经检查,发现蓄电池电压正常。 2.检查起动系统保险丝 打开发动机罩下的保险丝盒,对照盒内保险丝位置图,检查02号起动器螺丝管保险丝,保险丝正常。 3.检查起动继电器 使用调换继电器的方法,起动发动机时,起动机依然没有任何反应。
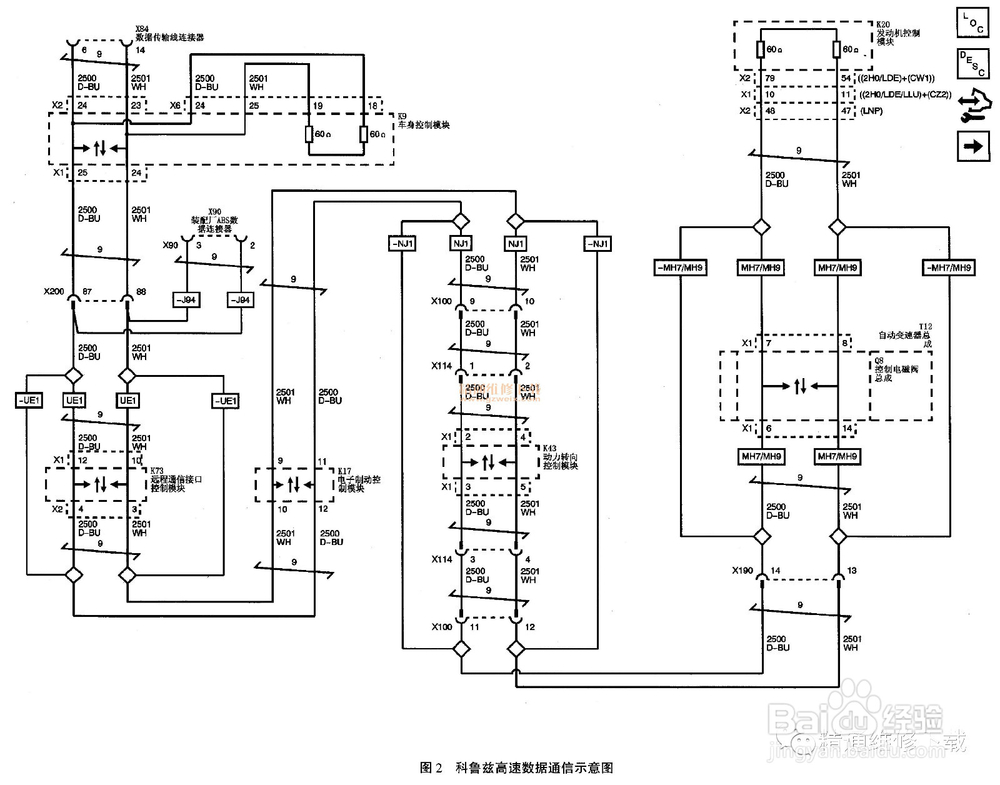
3、使用诊断仪连接车辆数据传输连接器插座X84,诊断仪能与车辆通信,读取全车故障码,有1个故障码:U0001高速CAN通信总线故障,但是无法读取发动机故障码。由于该车起动系统的控制涉及车身控制与发动机控制两个模块之间的数据通信,起动机无法运转是否是数据通信出了问题,带着这个疑问,查阅科鲁兹高速数据通信示意图,如图2所示。

4、检查高速数据通信线路 由于诊断仪能与车辆通信,根据示意图,表明车身皮薹匆热控制模块正常,而发动机故障指示灯常亮,且无法用诊断仪读取发动机控制模块故障码,于是在关闭钥匙的情况下,测量车辆数据传输连接器插座X84的6号与14号端子之间的电阻,测量值为121Ω,根据图2,在数据传输电路中,发动机和车身控制模块内部各有120Ω的电阻,而数据传输连接器插座X84的6号与14号端子之间为2个120Ω电阻的并联,电阻值应该为60Ω,对比实际测量值121Ω,分析得出车身控制模块与发动机控制模块之间的数据线路有断路。 实际测量车身控制模块K9的X1-25号端子与发动机控制模块K20的X1-10号端子之间的电阻值为∞,表明两者之间的线路确实断开,在示意图上,发现两者之间经过了X114、X100与X190三个连接器,分别检查,发现位于A柱内饰板内的X190连接器有松脱现象,重新插接1次依旧松动,于是利用绑带将其紧固。 紧固后清除故障码,再次读取时,U0001故障码没有再出现,但是出现1个新的故障码:P0616,起动机继电器控制电路电压过低。该故障码表明发动机控制模块没有通过XI-29号端子输出+12V电压至起动机继电器KR27线圈。是离合器踏板信号不正常,还是点火开关信号不正常?于是我们继续故障检测。 6.检查点火开关 将点火开关置于起动位置,测量点火开关4号端子与搭铁之间电压,测量值为3V,点火开关1号端子与搭铁之间电压,测量值为12V,查阅资料,1号端子为运行/起动点火1电压,测量值为12V应该正常。而4号端子为关闭/运行/起动电压,结合前面故障分析,4号端子是离散电压信号,测量值为3V,该值是否正常,带着这个疑问,测量了另一辆同型号车辆的点火开关4号端子与搭铁之间的电压,测量值也是3V,初步确定故障不在点火开关。 7.检查离合器踏板位置传感器 在不断开离合器踏板位置传感器插头的情况下,将点火钥匙置于ON挡位置,使用刺针扎进导线的方法,依次测量3根导线与搭铁之间的电压,分另1]为5V、4.16V和0V。将离合器踏板踩到底,再次测量,电压分别为5V、4.16V和0V。至此可以判断离合器踏板位置传感器与发动机控制模块之间的导线连接正常,但是信号没有变化,表明离合器踏板位置传感器有故障。 于是更换了1个新的离合器踏板位置传感器,再一次测量3根导线与搭铁之间的电压,分别为5V、4.16V和0V。将离合器踏板踩到底,测量电压分别为5V、1.35V和0V。清除故障码,重新起动发动机,起动机正常运转,车辆有着火迹象,再次起动,发动机正常起动,再次读取故障码,P0616故障码不存在,表明车辆故障修复。 维修总结:该车由于发动机控制模块与车身控制模块之间的高速数据通信线路存在断路故障,导致车辆起动时,起动机没有反应,根据故障码的指示,我们先修复了通信线路故障,然后再根据发动机故障码,排查出离合器踏板位置传感器存在故障,最终修复了所有故障。 通过该故障的维修,发现不同汽车的控制方式存在很大区别,表象是起动机不运转,实际上涉及到高速数据通信系统,而起动机的控制也不是简单的传统电路控制,而是升级为电脑控制,作为输入信号的点火开关与离合器踏板位置开关也与其它汽车大不一样,这提醒我们在修车时要多查阅维修资料,避免走弯路。